- Dapatkan link
- X
- Aplikasi Lainnya
- Dapatkan link
- X
- Aplikasi Lainnya
Elektronische Schaltungen 3 Schaltern Elektro Schema Und Her Mit Drei Schaltern
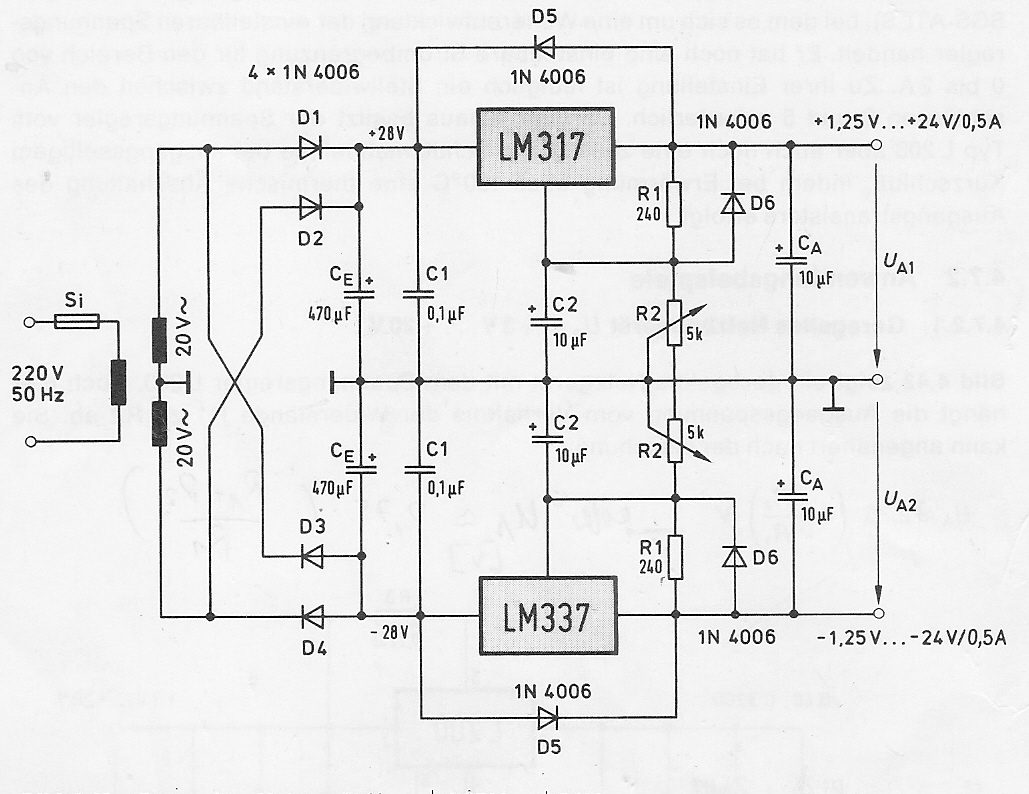
Elektro schema und her mit drei schaltern. Robert noyce, jack kilby & co.: als die chips geboren wurden. Skyrc elektronischer schalter mit spannungsanzeige 4-12v / 10a lipo u
elektronische schaltungen 3 schaltern
Download PDF
If you are {looking for|searching about} Schaltplan einer Kreuzschaltung mit zwei Lampen | Schaltplan you've {came|visit} to the right {place|web|page}. We have 18 {Pics|Pictures|Images} about Schaltplan einer Kreuzschaltung mit zwei Lampen | Schaltplan like Schaltplan einer Kreuzschaltung mit zwei Lampen | Schaltplan, Schaltplan Wechselschaltung Mit 4 Schaltern - Wiring Diagram and also Elektronik - ThomasG. {Read more|Here you go|Here it is}:
- Dapatkan link
- X
- Aplikasi Lainnya











Komentar
Posting Komentar